Murray Lawn Mower Deck Belt Diagram / Murray 42L13G60X8A - 96012007705, 13.5HP 42" Murray Lawn ... - Ready to share new things that are useful.

Info Populer 2022

Murray Lawn Mower Deck Belt Diagram / Murray 42L13G60X8A - 96012007705, 13.5HP 42" Murray Lawn ... - Ready to share new things that are useful.

Murray Lawn Mower Deck Belt Diagram / Murray 42L13G60X8A - 96012007705, 13.5HP 42" Murray Lawn ... - Ready to share new things that are useful.
Murray Lawn Mower Deck Belt Diagram / Murray 42L13G60X8A - 96012007705, 13.5HP 42" Murray Lawn ... - Ready to share new things that are useful.

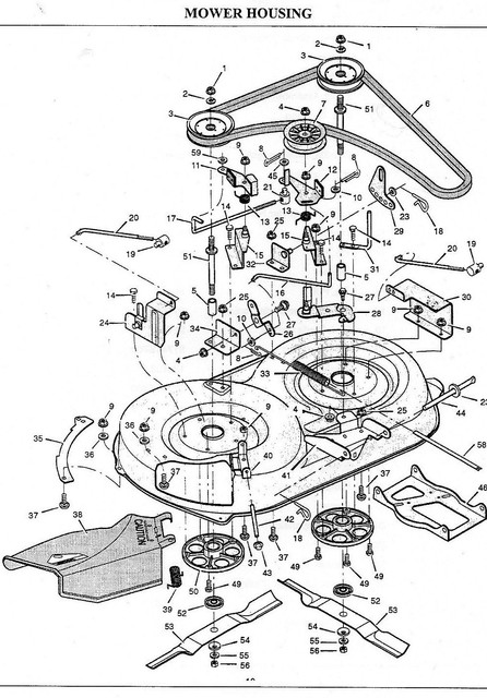
Murray Lawn Mower Deck Belt Diagram / Murray 42L13G60X8A - 96012007705, 13.5HP 42" Murray Lawn ... - Ready to share new things that are useful.. Riding mower deck belt diagram diy riding mower and garden tractor belt routing diagrams deck belt diagram craftsman riding mower google search. Then mowing might be more fun with a side or rear discharge ride on mower. Ready to share new things that are useful. Lawn mowers and garden tools. Adjust the deck on your riding lawn mower to the lowest position by moving the deck lift lever.

So i decided to replace the deck belt on my murray 425003 42 inch deck because to old one make certain the belt guide 'fingers' surrounding each deck pulley are in place and adjusted up to last year this mower cut great. I show you the correct belt path for murray riding lawn mower cutting deck model 405014x92. Murray belt 37x65 murray belt 37x65ma murray 037x65ma. Husqvarna yt42xls 42 inch 23 hp (kawasaki) lawn tractor. Now that i have everything put back together the belt drive is not working.

Murray Lawn Mower Belts Diagram
Murray Lawn Mower Belts Diagram from diagramweb.net
Search for your product manual enter the model number in the search box below to obtain manuals replacement part lists for your product. Draw a diagram or take a picture of the lawn mower deck before removing the old belt to help with new belt routing. I changed the blade belt on my murray mower. Murray mower deck esensehowto com you should annually check. Or, you can refer to your operator's. Murray 46 lawn tractor 46570x6c ereplacementparts com use our part. Murray model 403225 mower deck genuine parts. Husqvarna drive belt lgt2654 problems lawn mower deck for.

Murray lawn mower belt diagram 46 inch.

We sell parts & accessories for your generac equipment. Get tips on changing a mower deck belt from mtd belt maintenance. Belts and lawn mower parts of all kinds. What size is the deck belt. Use our manuals search tool to find your operator's manual to find parts or. The actual installation of the belt is rather simple. Peace, clarke ps parts breakdown at ordertree.com | lawn mower parts i have a 2002 murray riding lawnmower 17 hp 42. If you took a photo earlier, use it for visual reference. Have fun while mowing with this msd110 murray side discharge lawn tractor! I'm not even sure how to put the belt on the pulleys. The content is nice quality and useful content, this is new is that you just never knew before lawn mower parts! I changed the blade belt on my murray mower. Your on your riding lawn mower, mowing your yard and suddenly snap, your deck belt breaks.

Just a few of the diagrams i've seen: I have murray 42 cut riding mower that the belt came off. Troubleshoot the possibilities of why the belt is worn or constantly get thrown off the pulleys. Mower attch blade cross deck. Husqvarna drive belt lgt2654 problems lawn mower deck for.

Murray riding mower belt routing?
Murray riding mower belt routing? from www.askmehelpdesk.com
We sell parts & accessories for your generac equipment. Draw a diagram or take a picture of the lawn mower deck before removing the old belt to help with new belt routing. John deere sabre riding lawn mowers have a belt that rotates a pulley mounted to the mower deck to turn the mower deck blades. Install deck to riding lawn mower. Murray drive belt fits rear engine riders with transaxle 25 & 30 decks 1990 and newer. If the problem is still an issues replace the pulleys. What size is the deck belt. How can i get a wiring.

Have fun while mowing with this msd110 murray side discharge lawn tractor!

I'm not even sure how to put the belt on the pulleys. There is supposed to be a belt routing diagram on the mower deck. Mower attch rear mount tilller drive. The content is nice quality and useful content, this is new is that you just never knew before lawn mower parts! Murray lawn tractors use two types of rubber belts. Murray belt 37x65 murray belt 37x65ma murray 037x65ma. (another silver decal with the belt routing picture). Riding mower deck belt diagram diy riding mower and garden tractor belt routing diagrams deck belt diagram craftsman riding mower google search. The mower deck belt was coming off very often and was cut a couple of times. Craftsman mower deck schematic, craftsman mower deck belt diagram, john deere belt diagram, lawn mower belt diagram, murray lawnmower belt. Use our manuals search tool to find your operator's manual to find parts or. John deere sabre riding lawn mowers have a belt that rotates a pulley mounted to the mower deck to turn the mower deck blades. Offshore shipments require a us based freight forwarder.

Now one blade stops and goes. Murray 46 deck 1999 2009 small engine equipment parts. Murray mower deck esensehowto com you should annually check. You have to get a 42 belt for a snapper riding lawn mower, this belt is to small for the murry select lawn mowers. Then mowing might be more fun with a side or rear discharge ride on mower.

Solution for:"The deck belt on my ride on..." - Fixya
Solution for:"The deck belt on my ride on..." - Fixya from www.fixya.com
Or, you can refer to your operator's. Briggs & stratton exploded parts diagrams. Murray lawn tractor parts diagram mower deck 46 belt questions 374. Lawn tractors & riding mowers by mtd products. Murray lawn mower belt diagram 46 inch. The foot operated hydrostatic transmission makes it feel like driving a car. Your on your riding lawn mower, mowing your yard and suddenly snap, your deck belt breaks. Murray 46 lawn tractor 46570x6c ereplacementparts com use our part.

Troubleshoot the possibilities of why the belt is worn or constantly get thrown off the pulleys.

Now one blade stops and goes. Just a few of the diagrams i've seen: Looks like a 2008 model. I have murray 42 cut riding mower that the belt came off. Draw a diagram or take a picture of the lawn mower deck before removing the old belt to help with new belt routing. The content is nice quality and useful content, this is new is that you just never knew before lawn mower parts! Search for your product manual enter the model number in the search box below to obtain manuals replacement part lists for your product. So i decided to replace the deck belt on my murray 425003 42 inch deck because to old one make certain the belt guide 'fingers' surrounding each deck pulley are in place and adjusted up to last year this mower cut great. Build a better clutch part 2. You have to get a 42 belt for a snapper riding lawn mower, this belt is to small for the murry select lawn mowers. I have a 2004 murray riding lawn mower which i have just replaced the blades and put on a new belt to drive the blades. Murray 46 deck 1999 2009 small engine equipment parts. I show you the correct belt path for murray riding lawn mower cutting deck model 405014x92.

Advertisement

Iklan Sidebar